长城风骏6皮卡四驱故障灯(风骏5电控四驱前桥离合器故障分析)
一辆行驶里程约2.4万km、配置4D20D国五柴油发动机、6速手动变速器的2018年长城风骏5皮卡。该车搭载博格华纳电控四驱系统,按下四驱开关4H或4L后,车辆都无法实现四
一辆行驶里程约2.4万km、配置4D20D国五柴油发动机、6速手动变速器的2018年长城风骏5皮卡。该车搭载博格华纳电控四驱系统,按下四驱开关4H或4L后,车辆都无法实现四轮驱动,四驱系统报“P173467前桥离合器反馈错误”故障码。
故障诊断:举升车辆,启动着车后,踩下离合器,按下4H或4L开关,挂挡行驶,只有两个后轮转动,分动器换挡电机能够动作,但前桥离合器电机不动作,两个前轮不转。读取4WD ECU(四驱模块)故障码为“P173467前桥离合器反馈错误”,如图1所示。

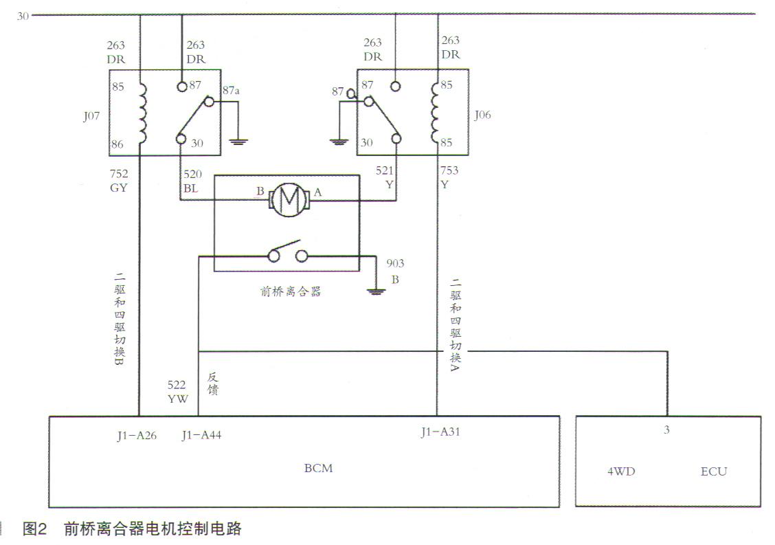
风骏5电控四驱前桥离合器电机由BCM(车身控制器)通过两个5脚继电锄06构07控制(如图2所示),电机动作的同时,电机内部的位置传感器将位置信号一路传递给BCM J1一A44,另一路传给4WD ECU 3脚。从故障码分析,应该重点检查前桥离合器电机、控制电路以及前桥离合器的位置信号等。

拔下前桥离合器电机插头(如图,3所示),点火开关ON挡时,测量电机位置信号线(黄白线)电压为11V左右,正常;黑色线、黄色线,黑蓝色线都与搭铁导通,正常;测量前桥离合器电机电阻为6.8Ω,正常。

插上前桥离合器电机插头,使用诊断仪进行动作测试,2H切换4H,4H切换2H,电机均可以正常动作。查看BCM内部数据流,离合器电机在2H状态时,2驱/4驱反馈为未激活状态,离合器电机在4H时,2驱/4驱反馈为激活状态,说明前桥离合器电机、BCM至电机的控制线路、离合器电机的位置信号都没有问题。
诊断仪进入4WD ECU,按下4H开关,读取前桥离合器状态数据流为连接状态(如图4所示),而实际上前桥离合器为断开状态,并没有连接,测量前桥离合器电机位置信号线4WD ECU 3脚电压为11.67V,如图5所示,也为断开状态信号,怀疑4V-IDECU不能识别位置信号,替换4WDECU后测试,故障依旧。

前桥离合器电机反馈给4WDECU的是前桥“未激活”断开状态的信号,而4WD ECU的数据流却显示前桥离合器状态为连接状态,为了验证前桥离合器状态数据流是否与前桥离合器电机位置信号有关,将4WDECU 3脚插头导线单独退出,再进行2H-4H之间的切换,发现前桥离合器状态依然能够显示为连接或者断开,说明这个前桥离合器状态与前桥离合器电机位置信号无关。不是前桥离合器电机的状态,而是通过分动器换挡电机内部位置编码器识别的分动器状态。 按下4H开关,4WD ECU接收到开关信号后,一方面驱动分动器换挡电机动作,同时还通过CAN线将4H开关信号传递给BCM,BCM再控制继电器吸合,前桥离合器电机才会动作,在进行动作测试时,BCM能够控制前桥离合器电机动作,但按下4H开关时,却不能控制前桥离合器电机动作,很有可能是BCM的CAN信号接收出现问题,查看BCM内部没有关于CAN通信方面的故障码,BCM保险丝都完好,所以更换BCM进行测试,按下4H开关,仪表上4WD指示灯闪烁3次后常亮,前桥离合器接合,四驱功能恢复正常,不再报“P173467前桥离合器反馈错误”故障码,故障排除。

故障总结:由于BCM内部故障,在按下四驱开关时,BCM不能控制前桥离合器电机动作,前桥始终在两驱“未激活”状态,传递给4WD ECU 3脚的前桥离合器电机位置信号始终为高电位,而此时分动器已经挂入四驱,为连接状态,4WDECU监测到分动器状态和前桥离合器状态不一致,所以4WD ECU会报“P173467前桥离合器反馈错误”故障码。
4WD ECU的前桥离合器状态数据流指的是分动器状态,而不是前桥离合器的状态,这一点很容易误导排查方向。
更换新BCM故障排除后,我们将4WD ECU 3号线单独断开进行测试,发现分动器和前桥离合器都能够挂入四驱,4WD ECU内依然会报 “P173467前桥离合器反馈错误”故障码,说明4WD ECU获知前桥离合器状态的途径是通过3脚的硬线信号,而不是通过BCM发送的 CAN信号。
仪表上4WD指示灯是由BCM通过CAN线控制,所以在更换新BCM后,要进行系统配置、网络配置,最后断电重新连接,4WD指示灯才会正常显示,否则,挂入四驱后,仪表上的4WD指示灯不亮。